
CLEAN ROOM MOTOR
반도체, LCD, PDP 제조와 제약, 바이오 공정의 클린룸 설비에 필수적으로 사용되는 모터로 낮은 소음과 진동, 억제된 온도 상승으로 장시간 연속 운전 중에도 안정적인 풍량과 정압을 유지합니다. 파티클 발생을 최소화했으며, 슬림하고 컴팩트한 패키지와 표준화된 장착 규격으로 현장 적용성이 우수합니다.
APPLICATION
- 팬필터유닛 (FFU)
- 배기필터유닛 (EFU)
- 보조송풍유닛(BFU)
- 클린룸
- 드라이룸
- 병원 수술실 및 무균실
- 음암격리실
- 클린부스
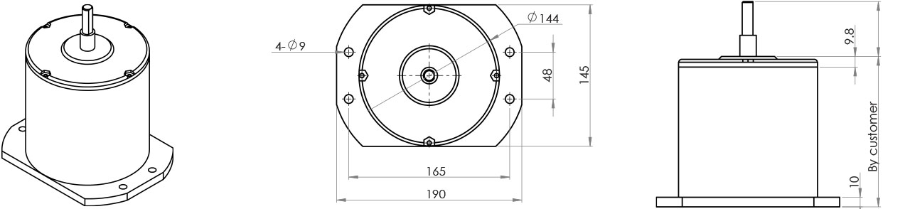
Outline Dimensions

[ Unit: mm ]
SPECIFICATIONS
| 모델명 (Model) |
CLEAN ROOM MOTORAC Motor Condenser Run |
|---|---|
| 전압 (Voltage) | 110-240 V |
| 주파수 (Frequency) | 50/60 Hz |
| 극수 (Number of Poles) | 6 극 |
| 소비전력 (Power Consumption) | 500 W |
| A (Length) | By Customer |
| 축경 (Shaft Diameter) | Ø15 |
| 절연 등급 (Insulation Class) | ‘B’ Class, ‘F’ Class |
FEATURES
- 정숙 운전과 저진동으로 작업 환경 소음 저감
- 온도 상승 억제 연속 운전에 적합
- 필터 부하 변화에도 균일한 풍속과 정압 유지
- 슬림 하우징과 효율적 마운트로 협소 공간 적용 용이
- 부식 대비 표면 처리 등 청정 환경 대응
- 표준화된 샤프트와 장착 규격으로 교체와 유지보수 용이